Systèmes hybrides avec pompe à chaleur et chaudière à condensation
Le système hybride Hoval est la solution complète, efficace et durable pour les projets de chauffage, rafraichissement et production d'eau chaude sanitaire en collectif, industrie et tertiaire, qui nécessitent des puissances élevées, tout en intégrant une part importante d'énergie renouvelable.
Découvrez les 4 types de produits qui peuvent être couplés au sein d'une même installation, optimisant ainsi leur consommation d'énergie et leur rendement.

Système hybride Hoval avec pompe à chaleur et chaudière gaz : pour les projets de chauffage collectif et tertiaire.
Voici les 4 types de produits à combiner afin de créer une solution complète, efficace et durable pour les projets de chauffage, rafraichissement et production d'eau chaude sanitaire :
- Pompe à chaleur air/eau monobloc Belaria pro
- Chaudière gaz à condensation UltraGas 2
- Préparateur d'ECS semi-instantanée TransTherm aqua L
- Régulation embarquée TopTronic E.
Des solutions complètes, adaptées à vos projets
L'inter-compatibilité des appareils est essentielle pour réaliser des économies d'énergie et réduire l'empreinte carbone des systèmes de chauffage, refroidissement et production d'eau chaude. Les solutions hybrides, qui combinent une chaudière gaz à condensation et une pompe à chaleur air/eau, représentent une perspective prometteuse pour les installations collectives et tertiaires.
Chez Hoval, nous concevons des produits qui fonctionnent en parfaite synergie, partageant un langage commun. Leur performance est encore meilleure lorsqu'ils sont intégrés dans un même système. Le système hybride Hoval offre ainsi des économies d'énergie considérables.

Durable
Empreinte environnementale réduite grâce au fluide frigorigène R290 et aux gaz d'origines renouvelables.

Efficace
Technologie de condensation de pointe pour 10-25% d'économies de gaz et conjuguée à l'excellent rendement de la PAC.

Modulaire
Système sur mesure pour les projets collectifs et tertiaires avec préparation d'ECS jusqu'à 4MW au total, dont 1,4 MW d'énergie renouvelable.

Hoval TopTronic E, régulation et chef d'orchestre du système hybride.
Chauffage collectif avec pompe à chaleur et chaudière gaz : comment ça marche ?
- Le fonctionnement de la pompe à chaleur air-eau réversible pouvant couvrir 80% des besoins annuels d'un bâtiment avec uniquement 30% de part de puissance totale de l'installation.
- En couplant la pac air eau à la chaudière gaz à condensation UltraGas 2, vous bénéficiez d'une installation fiable, au coût maitrisé pour de nombreuses années.
Le fonctionnement entre la chaudière UltraGas 2 et la pompe à chaleur air/eau réversible monobloc Belaria pro est défini en fonction du point de bivalence. Ce point, en principe à une température extérieure de 5°C, est déterminé en fonction des besoins de l'installation et représente la température minimale à partir de laquelle la chaudière gaz UltraGas 2 est enclenchée si la cascade des pompes à chaleur air eau monoblocs Belaria pro n'est plus en mesure de fournir la puissance nécessaire. Cette bascule sera orchestrée de manière automatique par la régulation embarquée TopTronic E.
Le ballon tampon présent sur l'installation évite les cycles courts et permet le dégivrage des pompes à chaleur air eau. Si le ballon tampon se trouve dans une zone à fort risque de gel, le circuit hydraulique de liaison entre le ballon et les pompes à chaleur doit être efficacement protégé contre le gel. Ce circuit peut être séparé du réseau par un échangeur à plaques.

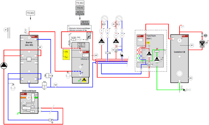
Schéma de principe d'un exemple de système hybride Hoval
Elément n°1 : la pompe à chaleur air eau réversible Hoval Belaria pro
La pompe à chaleur est une solution de chauffage qui séduit de plus en plus, aussi en collectif, du fait de son fonctionnement écologique et économique. Elle peut être associée à d'autres appareils (jusqu'à 8 pompes à chaleur installées en cascade), et permet de construire un véritable système hybride décarboné pour assurer le chauffage, le refroidissement et la production d'ECS au sein des bâtiments collectifs et tertiaires. Equipée de la technologie Inverter, la pompe à chaleur air/eau Hoval Belaria pro peut moduler sa puissance dans une plage comprise entre 30 et 100%.
Avec la pompe à chaleur air eau réversible monobloc Belaria pro 24 kW, il est possible de planifier des systèmes de chauffage et rafraichissement performants intégrant une part élevée d’énergie renouvelable. En fonctionnement bivalent parallèle, lorsque la pompe à chaleur fournit 30 % de la puissance totale requise pour le chauffage d'un bâtiment, elle assure 80% des besoins annuels. En fonctionnement bivalent alternatif , lorsque la pompe à chaleur fournit 40 % de la puissance totale requise pour le chauffage d'un bâtiment, elle assure 70% des besoins annuels. Elle peut être couplée à un générateur de chaleur supplémentaire, du type chaudière gaz à condensation, qui fournira l’énergie pour couvrir les pics de demande.

Schéma montrant la part de la puissance de la PAC dans la puissance totale de l'installation hybride.
Comment fonctionne la pompe à chaleur air eau Hoval Belaria pro ?
- L'évaporateur : le fluide frigorigène R290 traverse l'évaporateur où il va être transformé en vapeur après avoir puisé l'énergie dans le milieu extérieur.
- Le compresseur : le fluide frigorigène est mis sous pression, ce qui augmente sa température.
- Le condenseur : le fluide frigorigène va évacuer l'énergie accumulée pour être redistribuée dans le réseau de chauffage.
- Le détendeur : c'est l'élément qui va permettre de faire repasser le fluide frigorigène de l'état vapeur à l'état liquide, pour recommencer le cycle à partir de l'évaporateur.

Pompe à chaleur air/eau réversible monobloc Hoval Belaria pro 24 kW.
Elément n°2 : la chaudière gaz à condensation Hoval UltraGas 2
Combinez économies d'énergie, transition énergétique et grandes puissances.
La chaudière gaz au sol UltraGas 2 est désormais compatible avec des gaz d'origines renouvelables qui présentent une emprunte carbone réduite :
- Mélange de gaz naturel E/hydrogène (H2) jusqu’à 20 %
- Propane selon DIN 51662
- Biométhane selon EN 16723 (teneur atteignant jusqu’à 100 %)

Chaudière sol gaz Hoval UltraGas 2, compatible gaz vert, hydrogène, propane et biométhane.
Hoval UltraGas 2, les caractéristiques d'une référence pour les projets de rénovation de chaufferies collectives et industrielles
- Construction verticale
- Grand volume d'eau
- Pas de limitation de ΔT
- Retours basse et haute température séparés

Préparateur d'eau chaude sanitaire semi-instantanée mural Hoval TransTherm aqua L
Elément n°3 : le préparateur d'ECS semi-instantanée TransTherm aqua L
Le préparateur d'eau chaude sanitaire semi-instantanée mural TransTherm aqua L est le 3ème composant du système hybride Hoval. Il peut également être remplacé par le préparateur d’ECS instantanée mural TransTherm aqua F.
On peut retrouver une gamme complète, allant de 50 à 275 kW, avec des débits d'ECS jusqu'à 7214 l/h à 3286 l/10 mn à 60°, tout en proposant une faible température de retour (30°C) pour un rendement optimisé jusqu'à 8% de la chaudière couplée.